Zum Hauptinhalt springen Zur Suche springen Zur Hauptnavigation springen

Produkte filtern

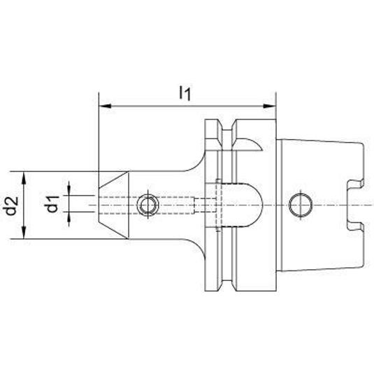
Einschraubfräser Aufnahme FORTIS - DIN 69893A HSK-A63 - M8x50mm - Hydro-Dehnspannfutter
Hochwertige Aufnahme für Einschraubfräser DIN69893A HSK-A63 M8x50mm FORTIS Entdecken Sie die erstklassige Aufnahme für Einschraubfräser, die speziell aus hochwertigem Einsatzstahl gefertigt wurde, um auch den höchsten Anforderungen bei der Bearbeitung von anspruchsvollen Bauteilen gerecht zu werden. Mit einer Zugfestigkeit im Kern von mindestens 1000 N/mm² garantiert dieses Spannfutter maximale Stabilität und Langlebigkeit. Die präzise Verarbeitung sorgt für eine außergewöhnliche Wiederholgenauigkeit beim Werkzeugwechsel, während die feste axiale Positionierung durch die ausgeklügelte Plananlage sichergestellt wird. Dieser Artikel überzeugt nicht nur durch seine technische Exzellenz, sondern auch durch die exakte Kegelwinkeltoleranz von AT3 und eine beeindruckende Oberflächenrauigkeit des Kegels von Ra < 0,001 mm, was ihn zur idealen Wahl für professionelle Anwendungen macht. Hergestellt in der VR China, bietet dieses Produkt eine Länge von 50 mm und eine Gesamtlänge von 76 mm. Der Durchmesser beträgt 8,5 mm bzw. 13 mm, während der Außendurchmesser d1 23 mm erreicht. Mit einem robusten M8-Anzugsgewinde ist diese Aufnahme perfekt geeignet für eine Vielzahl von Werkzeugen und garantiert Ihnen eine herausragende Leistung in Ihrem Produktionsprozess.

165,99 €*
FORTIS Aufnahme für Einschraubfräser HSK-A63 DIN 69893A - M16x50mm
Entdecken Sie die herausragende Qualität des Aufnahme für Einschraubfräser DIN69893A HSK-A63 M16x50mm von FORTIS. Dieses Spannfutter ist aus speziellem Einsatzstahl gefertigt, der speziell für hochbeanspruchte Bauteile entwickelt wurde. Es beeindruckt mit einer Zugfestigkeit im Kern von mindestens 1000 N/mm², die für maximale Belastbarkeit sorgt. Die hohe Wiederholgenauigkeit beim Werkzeugwechsel garantiert Ihnen stets präzise Ergebnisse. Durch die feste axiale Positionierung mittels Plananlage erleben Sie eine zuverlässige Anwendung. Der Kegelwinkeltoleranzwert von AT3 sowie die herausragende Oberflächenrauigkeit des Kegels von Ra < 0,001 mm sprechen für die exzellente Verarbeitung. Mit einer Härte von 58 ± 2 HRC ist dieses Produkt für den anspruchsvollen Einsatz optimal geeignet. Hergestellt in VR China, bietet Ihnen dieses Spannfutter eine Länge von 50 mm sowie Durchmesser von 34 mm und eine Bauhöhe von 76 mm, damit Sie problemlos Werkzeuge mit Anzugsgewinde nutzen können. Vertrauen Sie auf FORTIS und optimieren Sie Ihre Bearbeitungsprozesse mit diesem hochwertigen Spannfutter!

170,99 €*
FORTIS Aufnahme für Einschraubfräser HSK-A63 DIN 69893A mit M16x75mm
Aufnahme für Einschraubfräser DIN69893A HSK-A63 M16x75mm FORTIS Entdecken Sie die herausragende Qualität unserer Aufnahme für Einschraubfräser, gefertigt aus speziellem Einsatzstahl, der auch höchsten Anforderungen gewachsen ist. Diese Aufnahme zeichnet sich durch eine Zugfestigkeit im Kern von mindestens 1000 N/mm² aus und garantiert dadurch eine äußerst zuverlässige Leistung. Durch die präzise Konstruktion ist eine hohe Wiederholgenauigkeit beim Werkzeugwechsel gewährleistet, was Ihnen Zeit und Mühe spart. Die feste axiale Positionierung erfolgt über die Plananlage, wodurch eine perfekte Passgenauigkeit sichergestellt wird. Mit einer Kegelwinkeltoleranz von AT3 und einer Oberflächenrauigkeit des Kegels von Ra < 0,001 mm erfüllt dieses Produkt höchste technische Anforderungen. Der Härtegrad von 58 ± 2 HRC sorgt zudem für eine ausgezeichnete Langlebigkeit. Diese Aufnahme eignet sich ideal für die Verwendung mit Werkzeugen mit Anzugsgewinde und ist ein unverzichtbares Element in jeder hochwertigen Werkstatt. Hergestellt in der VR China und mit einer Länge von 75 mm, einem Durchmesser von 34 mm sowie einer vielseitig einsetzbaren M16 Gewindeaufnahme, passt sie sich perfekt Ihren Anforderungen an.

179,99 €*
FORTIS Einschraubfräser Aufnahme DIN 69893A HSK-A63 M16x100mm - Hydro-Dehnspannfutter
Hochwertige Aufnahme für Einschraubfräser DIN69893A HSK-A63 M16x100mm FORTISUnsere Aufnahme für Einschraubfräser überzeugt durch ihre hochwertige Verarbeitung aus speziellem Einsatzstahl. Sie wurde entwickelt, um auch hochbeanspruchte Bauteile zuverlässig zu halten und bietet eine beeindruckende Zugfestigkeit im Kern von mindestens 1000 N/mm². Mit dieser Aufnahme berichten Nutzer von einer hohen Wiederholgenauigkeit beim Wechsel der Werkzeuge, was die Effizienz Ihrer Arbeit erheblich steigert.Die feste axiale Positionierung durch die Plananlage sorgt für optimale Stabilität während des Betriebs. Zudem zeigt die Kegelwinkeltoleranz der AT3-Maßstäbe, dass Sie sich auf die Präzision verlassen können, da die Oberflächenrauigkeit des Kegels bei Ra < 0,001 mm liegt. Der Härtegrad von 58 ± 2 HRC garantiert eine hohe Lebensdauer und Robustheit des Produkts.Die Anwendung dieser Aufnahme ist vielseitig, sie eignet sich ideal zur Aufnahme von Werkzeugen mit Anzugsgewinde. Hergestellt in der VR China, besitzt das Produkt eine Durchmesser von 34 mm, eine Länge von 100 mm sowie eine axiale Höhe von 126 mm. Mit einem M16 Gewinde und Durchmessern von 17 mm und 29 mm ist diese Aufnahme die perfekte Wahl für Ihre Anforderungen.

199,99 €*
FORTIS Einschraubfräser Aufnahme DIN 69893A HSK-A63 M6x75mm - Hydro-Dehnspannfutter
Hochwertige Aufnahme für Einschraubfräser Die Aufnahme für Einschraubfräser nach DIN 69893A in der Ausführung HSK-A63 M6x75mm von FORTIS wurde aus speziellem Einsatzstahl gefertigt, der sich ideal für hochbeanspruchte Bauteile eignet. Mit einer beeindruckenden Zugfestigkeit von mindestens 1000 N/mm² im Kern sorgt dieses Spannfutter für höchste Stabilität und Zuverlässigkeit. Dank der hohen Wiederholgenauigkeit ermöglicht der schnelle Wechsel von Werkzeugen eine effiziente Handhabung in Ihrer Werkstatt. Die feste axiale Positionierung durch die präzise Plananlage garantiert, dass Ihre Werkzeuge jederzeit genau ausgerichtet sind. Sie profitieren von herausragenden Kegelwinkeltoleranzen (AT3) sowie einer Oberflächenrauigkeit des Kegels von weniger als 0,001 mm, was die Leistungsfähigkeit weiter steigert. Gehämmert und gehärtet mit einer Härte von 58 ± 2 HRC, ist dieses Produkt speziell dafür entwickelt, den Herausforderungen der modernen Bearbeitung standzuhalten. Unsere Aufnahme ist geeignet für die Verwendung mit Werkzeugen mit Anzugsgewinde und wurde in VR China hergestellt. Sie ist mit einem M6 Gewinde ausgestattet und bietet eine Länge von 75 mm sowie Durchmesseroptionen von 6,5 mm bis 10 mm und einer Axiallänge von 76 mm. Vertrauen Sie auf die Qualität von FORTIS und optimieren Sie Ihre Produktionsabläufe mit dieser zuverlässigen Lösung.

169,99 €*
FORTIS Einschraubfräser Aufnahme HSK-A63 - M8x75mm - DIN 69893 Hydro-Dehnspannfutter
Aufnahme für Einschraubfräser DIN69893A HSK-A63 Erleben Sie die erstklassige Qualität des Spannfutters für Einschraubfräser, hergestellt aus speziellem Einsatzstahl, der für hochbeanspruchte Bauteile konzipiert ist. Mit einer beeindruckenden Zugfestigkeit im Kern von mindestens 1000 N/mm² bietet dieses Produkt nicht nur eine hohe Stabilität, sondern überzeugt auch durch eine herausragende Wiederholgenauigkeit beim Werkzeugwechsel. Die feste axiale Positionierung wird durch eine präzise Plananlage gewährleistet, während die Kegelwinkeltoleranz von AT3 und eine Oberflächenrauigkeit des Kegels von Ra < 0,001 mm für optimalen Halt und Leistung sorgen. Das Produkt ist zudem gehärtet mit einer Härte von 58 ± 2 HRC, was es ideal für anspruchsvolle Anwendungen macht. Zur Aufnahme von Werkzeugen mit Anzugsgewinde ausgelegt, ist dieses Spannfutter die perfekte Wahl für professionelle Anwendungen. Ursprungsland: VR China. Mit einer Länge von 75 mm und einem Durchmesser von 23 mm erfüllt es höchste Ansprüche an Präzision und Langlebigkeit.

172,99 €*
FORTIS Einschraubfräser DIN 69893A - HSK-A63 - M6x50mm - Hydro-Dehnspannfutter
Hochwertige Aufnahme für Einschraubfräser DIN69893A HSK-A63 M6x50mm von FORTIS Entdecken Sie die innovative Aufnahme für Einschraubfräser, die speziell für höchste Ansprüche entwickelt wurde. Hergestellt aus einem besonderen Einsatzstahl, garantiert dieses Spannfutter eine außergewöhnliche Zugfestigkeit im Kern von mindestens 1000 N/mm². Dies macht es ideal für hochbeanspruchte Bauteile, bei deren Bearbeitung Präzision und Zuverlässigkeit unerlässlich sind. Dank der hohen Wiederholgenauigkeit beim Werkzeugwechsel ermöglicht das Produkt effizientes Arbeiten und minimiert Stillstandszeiten. Die feste axiale Positionierung durch die Plananlage sorgt dafür, dass Ihre Werkzeuge stets perfekt sitzen und optimal eingesetzt werden können. Die sorgfältige Verarbeitung gewährleistet eine Kegelwinkeltoleranz von AT3 und eine Oberflächenrauigkeit des Kegels von unter 0,001 mm, wodurch ein reibungsloser Betrieb und eine lange Lebensdauer sichergestellt werden. Mit einer Härte von 58 ± 2 HRC ist dieses Spannfutter besonders robust und widerstandsfähig. geeignet für Werkzeuge mit Anzugsgewinde, ist dieses Produkt der ideale Begleiter für Ihre Anwendungen. Hergestellt in VR China, vereint es höchste Qualität mit effizientem Design. Vertrauen Sie auf FORTIS, um Ihre Bearbeitungsprozesse zu optimieren!

154,99 €*
Fortis Einschraubfräser DIN 69893A HSK-A63 M10x100mm - Hochwertiges Hydro-Dehnspannfutter
Aufnahme für Einschraubfräser DIN69893A HSK-A63 M10x100mm FORTISDie Aufnahme für Einschraubfräser von FORTIS kombiniert hervorragende Materialwerte mit präziser Funktionalität. Hergestellt aus speziellem Einsatzstahl, bietet dieses Spannfutter eine bemerkenswerte Zugfestigkeit von mindestens 1000 N/mm² im Kern, wodurch es ideal für hochbeanspruchte Bauteile geeignet ist. Die hohe Wiederholgenauigkeit beim Wechsel von Werkzeugen garantiert eine gleichbleibend hohe Qualität bei Ihren Anwendungen.Dank der festen axialen Positionierung durch die Plananlage wird eine perfekte Kraftübertragung gewährleistet. Die Kegelwinkeltoleranz von AT3 und die Oberflächenrauigkeit des Kegels von Ra < 0,001 mm sorgen zudem für eine optimale Passgenauigkeit und reduzierte Reibung.Diese präzise Aufnahme ist speziell für Werkzeuge mit Anzugsgewinde konzipiert und kann vielseitig in der Industrie eingesetzt werden. Mit einer Länge von 100 mm und einer robusten Bauweise ist sie für vielfältige Anwendungen bestens geeignet.Hergestellt in VR China, bietet die FORTIS Aufnahme sowohl Qualität als auch Zuverlässigkeit für Ihre Werkzeuge.

182,99 €*
FORTIS Einschraubfräser DIN 69893A HSK-A63 M10x75mm - Hydro-Dehnspannfutter
Aufnahme für Einschraubfräser DIN69893A HSK-A63 M10x75mm FORTIS Entdecken Sie die hochpräzise Aufnahme für Einschraubfräser, die speziell für den industriellen Einsatz konzipiert wurde. Hergestellt aus einem speziellen Einsatzstahl, gewährleistet dieses Spannfutter eine herausragende Zugfestigkeit im Kern von mindestens 1000 N/mm², was ihn ideal für hochbeanspruchte Bauteile macht. Die hohe Wiederholgenauigkeit beim Wechsel von Werkzeugen und die feste axiale Positionierung durch eine sorgfältige Plananlage sorgen für eine zuverlässige Leistung und Effizienz in Ihrem Arbeitsablauf. Mit einer Kegelwinkeltoleranz von AT3 und einer ausgezeichneten Oberflächenrauigkeit des Kegels von Ra < 0,001 mm ist der Einsatz dieser Aufnahme sowohl in der Präzisionsmechanik als auch in der Massenproduktion von großem Vorteil. Die Aufnahme hat eine Länge von 75 mm und eine Basis von 101 mm, während sie mit einem Anzugsgewinde von M10 ausgestattet ist, um den Anforderungen professioneller Anwendungen gerecht zu werden. Die kompakten Maße von 10,5 mm und 18 mm machen die Verwendung in verschiedenen Maschinen und Anwendungen äußerst flexibel. Hergestellt in der VR China, verbindet dieses Produkt Qualität mit Funktionalität und ist eine empfehlenswerte Lösung für Ihre Macherprojekte.

182,99 €*
FORTIS HSK-A63 Aufnahme für Einschraubfräser DIN 69893A - M12x75mm
Aufnahme für Einschraubfräser DIN69893A HSK-A63 M12x75mm FORTISEntdecken Sie die herausragende Leistung der FORTIS Aufnahme für Einschraubfräser, die speziell aus hochwertigem Einsatzstahl gefertigt wurde. Diese Aufnahme ist für hochbeanspruchte Bauteile konzipiert und bietet eine beeindruckende Zugfestigkeit von mindestens 1000 N/mm² im Kern. Lassen Sie sich von der hohen Wiederholgenauigkeit beim Werkzeugwechsel überzeugen, die auch durch die feste axiale Positionierung mittels Planlage unterstützt wird. Mit einer Kegelwinkeltoleranz von AT3 und einer Oberflächenrauigkeit des Kegels von Ra < 0,001 mm ist diese Aufnahme gehärtet auf 58 ± 2 HRC, um eine maximale Leistungsfähigkeit zu gewährleisten.Ideal geeignet zur Aufnahme von Werkzeugen mit Anzugsgewinde, stellt die FORTIS Aufnahme eine exzellente Wahl für präzise und effiziente Anwendungen dar. Herkunftsland dieser hochwertigen Ausstattung ist die VR China, und sie verfügt über eine Länge von 75 mm sowie einem Durchmesser von 31 mm. Die M12 Gewindespezifikation und die zusätzlichen Durchmesser von 12,5 mm und 21 mm machen dieses Produkt zu einem vielseitigen Werkzeug in Ihrer Werkstatt.

175,99 €*
FORTIS HSK-A63 Einschraubfräser Aufnahme - M6x100mm, DIN 69893
Aufnahme für Einschraubfräser DIN69893A HSK-A63 M6x100mm - FORTIS Entdecken Sie die hochwertige Aufnahme für Einschraubfräser, die speziell für hochbeanspruchte Bauteile entwickelt wurde. Hergestellt aus speziellem Einsatzstahl, sorgt dieses Spannfutter für eine beeindruckende Zugfestigkeit im Kern von mindestens 1000 N/mm². Die Konstruktion gewährleistet eine hohe Wiederholgenauigkeit beim Wechsel von Werkzeugen, während die feste axiale Positionierung durch die Plananlage höchste Präzision bietet. Mit einer Kegelwinkeltoleranz von AT3 und einer Oberflächenrauigkeit des Kegels von unter 0,001 mm gewährleistet dieses Produkt eine erstklassige Leistung. Darüber hinaus ist die Aufnahme gehärtet mit einer Härte von 58 ± 2 HRC, was ihre Langlebigkeit und Standfestigkeit unter extremen Bedingungen erhöht. Diese Aufnahme ist ideal für das feste Halten von Werkzeugen mit Anzugsgewinde geeignet und ist ein unentbehrliches Element für Ihre Maschine. Aus der VR China stammend, verfügt das Produkt über eine Länge von 75 mm und eine Durchmesseroption im Bereich von 6,5 mm bis 10 mm. Das Anzugsgewinde hat eine Größe von M6, was die Kompatibilität mit einer Vielzahl von Werkzeugen gewährleistet.

169,99 €*
FORTIS HSK-A63 Einschraubfräser Aufnahme M10x50mm - Hydro-Dehnspannfutter DIN 69893
Aufnahme für Einschraubfräser DIN69893A HSK-A63Die FORTIS Aufnahme für Einschraubfräser aus hochwertigem Einsatzstahl überzeugt durch ihre hohe Zugfestigkeit von mindestens 1000 N/mm² im Kern, was sie ideal für hochbeanspruchte Bauteile macht. Ihre außergewöhnliche Wiederholgenauigkeit ermöglicht einen schnellen und präzisen Werkzeugwechsel, während die feste axiale Positionierung durch die Plananlage gewährleistet wird.Mit einer Kegelwinkeltoleranz der Klasse AT3 und einer Oberflächenrauigkeit des Kegels von weniger als 0,001 mm bietet dieses Produkt eine hervorragende Leistung, die in der Industrie sehr geschätzt wird. Darüber hinaus ist die Aufnahme gehärtet und weist eine Härte von 58 ± 2 HRC auf.Die Anwendung ist vielseitig, da sie speziell für die Aufnahme von Werkzeugen mit Anzugsgewinde konzipiert wurde. Hergestellt in der VR China, weist die Aufnahme eine Länge von 50 mm auf und hat einen Durchmesser von 23 mm an der Aufnahmestelle. Mit einem M10-Gewinde passt sie in zahlreiche Maschinen, die auf Präzision und Zuverlässigkeit angewiesen sind.

160,99 €*
FORTIS HSK-A63 M12x50mm Schraubaufnahme für Einschraubfräser DIN 69893A | Hydro-Dehnspannfutter
Einschraubfräser Aufnahme DIN 69893A HSK-A63 M12x50mm FORTIS Entdecken Sie die hochwertige Aufnahme für Einschraubfräser, die speziell für anspruchsvolle Anwendungen entwickelt wurde. Hergestellt aus fortschrittlichem Einsatzstahl, bietet dieses Spannfutter eine außergewöhnliche Zugfestigkeit im Kern von mindestens 1000 N/mm². Die Konstruktion garantiert eine hohe Wiederholgenauigkeit beim Werkzeugwechsel und eine feste axiale Positionierung durch die präzise Plananlage. Mit einer Kegelwinkeltoleranz von AT3 und einer Oberflächenrauigkeit des Kegels von weniger als 0,001 mm gewährleistet diese Aufnahme höchste Präzision und Qualität. Darüber hinaus wurde die Aufnahme auf eine Härte von 58 ± 2 HRC gehärtet, um den Anforderungen selbst in intensivsten Einsatzbereichen standzuhalten. Die Anwendung dieser Aufnahme ist vielseitig und eignet sich ideal zur fixation von Werkzeugen mit Anzugsgewinde. Mit einer Länge von 50 mm und einem Durchmesser von 12,5 mm bis 21 mm passt dieses Produkt perfekt in Ihr Werkzeugarsenal. Hergestellt in VR China, vereint dieses Produkt Funktionalität und Langlebigkeit und ist die perfekte Wahl für professionnelle Mechaniker und Maschinenbauer.

165,99 €*
FORTIS Hydro-Dehnspannfutter DIN 69893 – Einschraubfräser HSK-A63 M8x100mm
Aufnahme für Einschraubfräser DIN69893A HSK-A63 M8x100mm FORTIS Entdecken Sie die hochwertige Aufnahme für Einschraubfräser, die speziell für hochbeanspruchte Bauteile entwickelt wurde. Hergestellt aus speziellem Einsatzstahl, überzeugt dieses Spannfutter durch eine Zugfestigkeit im Kern von mindestens 1000 N/mm². Dank ihrer hohen Wiederholgenauigkeit garantieren Sie einen reibungslosen und präzisen Werkzeugwechsel. Die feste axiale Positionierung wird durch die ausgeklügelte Plananlage unterstützt, während die Kegelwinkeltoleranz von AT3 und eine Oberflächenrauigkeit des Kegels von unter 0,001 mm für höchste Präzision stehen. Mit einem Härtegrad von 58 ± 2 HRC ist diese Aufnahme für eine Vielzahl von Anwendungen geeignet und bietet Ihnen die Zuverlässigkeit, die Sie benötigen, wenn es um die Verarbeitung von Materialien geht. Der Anschluss ist für Werkzeuge mit einem M8-Anzugsgewinde konzipiert. Die physikalischen Abmessungen der Aufnahme sind maßgeschneidert, mit einer Länge von 100 mm und einem Durchmesser von 26 mm an der Basis, der sich ideal in Ihre Bearbeitungsprozesse integriert. Die Flexibilität bezüglich der Durchmesser (8,5 mm und 13 mm) ermöglicht Ihnen zudem eine breite Palette an Anwendungen. Hergestellt in VR China, bietet die FORTIS Aufnahme für Einschraubfräser eine ideale Lösung für Ihr Unternehmen, sei es in der industriellen Fertigung oder in Werkstätten, die höchste Ansprüche an ihre Werkzeuge stellen.

183,99 €*
HAIMER Flächenspannfutter - Weldon System DIN 69893-A | 18 x 160 mm | HSK63 Aufnahme
HAIMER Flächenspannfutter System Weldon DIN 69893-A - 18 x 160 mm, Aufnahme: HSK63Entdecken Sie das innovative Flächenspannfutter von HAIMER, das für höchste Präzision und Effizienz in der Metallbearbeitung entwickelt wurde. Dieses hochentwickelte Spannfutter aus speziell ausgewähltem Einsatzstahl garantiert eine Zugfestigkeit im Kern von über 1000 N/mm² und ist damit ideal für die Bearbeitung hochbeanspruchter Bauteile. Mit einer außergewöhnlichen Wuchtgüte von G2.5 bei 25000 U/min gewährleistet es eine optimale Stabilität und Genauigkeit während des Einsatzes.Das Gerät ist perfekt zum Spannen von Fräsern mit Zylinderschaft geeignet und erfüllt alle Anforderungen gemäß DIN 1835-B und DIN 6535-HB. Alle Funktionsflächen sind feinbearbeitet, was nicht nur die Leistung steigert, sondern auch durch eine doppelte 100%-Kontrolle eine erstklassige Qualität garantiert. Die gehärteten Teile erreichen eine Härte von 58 – 62 HRC, was die Lebensdauer und Zuverlässigkeit des Werkzeugs erhöht.Im Lieferumfang enthalten ist das Flächenspannfutter mit einer Spannschraube. Bitte beachten Sie, dass kein Kühlmittelrohr im Paket enthalten ist. Setzen Sie auf HAIMER für Ihre Herausforderungen in der Zerspanung und genießen Sie die Vorteile eines Werkzeugs, das sowohl durch Form A als auch durch eine Auskraglänge von 160 mm beeindruckt.

284,99 €*
HAIMER Flächenspannfutter System Weldon DIN 69893-A - 25 x 160 mm - HSK63 Aufnahme
HAIMER Flächenspannfutter System Weldon DIN 69893-A - 25 x 160 mm, Aufnahme: HSK63Erleben Sie Präzision und Qualität auf höchstem Niveau mit dem HAIMER Flächenspannfutter System Weldon. Dieses hochwertige Spannfutter ist aus speziellem Einsatzstahl gefertigt, der für hochbeanspruchte Bauteile konzipiert ist. Mit einer Zugfestigkeit von mindestens 1000 N/mm² bietet es die notwendige Stabilität und Langlebigkeit für anspruchsvolle Anwendungen.Die sorgfältig feinbearbeiteten Funktionsflächen garantieren höchste Genauigkeit und Zuverlässigkeit. Genießen Sie die Vorteile einer gehärteten Oberfläche mit einer Härte von 58 – 62 HRC, die zusätzlich zur Langlebigkeit beiträgt. Dank der einzigartigen Wuchtgüte von G2.5 bei 25.000 U/min ist das Flächenspannfutter für die Verwendung in hohen Drehzahlen bestens geeignet.Das HAIMER Flächenspannfutter eignet sich optimal zum Spannen von Fräsern mit Zylinderschaft und seitlicher Mitnahmefläche, entsprechend den Normen DIN 1835-B und DIN 6535-HB. Im Lieferumfang sind das Flächenspannfutter sowie eine Spannschraube enthalten, jedoch kein Kühlmittelrohr.Überzeugen Sie sich selbst von der Qualität und Vielseitigkeit dieses Produkts, das in der Form A und mit einer Auskraglänge von 160 mm erhältlich ist. Vertrauen Sie auf HAIMER für Ihre präzisen Bearbeitungsbedürfnisse!

295,99 €*
HAIMER Flächenspannfutter Weldon DIN 69893-A - 20 x 80 mm - HSK63 Aufnahme | Hydro-Dehnspannfutter
HAIMER Flächenspannfutter System Weldon DIN 69893-A - 20 x 80 mm, Aufnahme: HSK63Entdecken Sie das hochpräzise Flächenspannfutter von HAIMER, das für anspruchsvolle Anwendungen konzipiert wurde. Hergestellt aus speziellem Einsatzstahl, bietet es eine beeindruckende Zugfestigkeit im Kern von mindestens 1000 N/mm². Jedes Exemplar wird durch doppelte 100% Kontrolle ausgezeichnet geprüft, um sicherzustellen, dass es die höchsten Qualitätsstandards übertrifft und sogar genauere Ergebnisse liefert als die DIN-Vorgaben.Die gehärtete Oberfläche mit einer Härte von 58 – 62 HRC garantiert Langlebigkeit und Zuverlässigkeit in Ihrer Fertigung. Mit seiner Form A und der HSK 63 Aufnahme eignet sich das Spannfutter hervorragend zum sicheren Halten von Fräsern mit Zylinderschaft und seitlicher Mitnahmefläche, gemäß den Normen DIN 1835-B und DIN 6535-HB. Die integrierte Spannschraube sorgt für eine einfache Handhabung, während die Wuchtgüte von G2.5 bis 25000 U/min vielseitige Einsatzmöglichkeiten eröffnet. Setzen Sie auf HAIMER, wenn Präzision und Qualität für Ihre Projekte entscheidend sind.

199,99 €*
HAIMER Kombi-Aufsteckfräsdorn DIN 69893-A - 40 x 70 mm - HSK63 Aufnahme
HAIMER Kombi-Aufsteckfräsdorn DIN 69893-A - 40 x 70 mm, Aufnahme: HSK63Der HAIMER Kombi-Aufsteckfräsdorn vereint Präzision und Zuverlässigkeit in einem kompakten Format. Mit einer feingewuchteten Ausführung aus hochwertigem Einsatzstahl, bietet er eine beeindruckende Zugfestigkeit von mindestens 1000 N/mm² im Kern. Die feinbearbeiteten Funktionsflächen gewährleisten eine überlegene Qualität, unterstützt durch eine doppelte Kontrolle zu 100 %. Der Dorn ist auf eine Härte von 58 ± 2 HRC gehärtet, was für maximale Stabilität sorgt.Dieser vielseitige Fräsdorn eignet sich perfekt zum Spannen von Walzenstirnfräsern und Winkelstirnfräsern gemäß DIN-Normen. Er ist zudem darauf ausgelegt, eine maximale Wuchtgüte von G2.5 bei 25000 U/min zu erreichen. Mit einer Aufsatzlänge von 41 mm und einer Auskraglänge von 70 mm stellt der Kombi-Aufsteckfräsdorn sicher, dass Sie stets präzise Ergebnisse erzielen können. Die HSK-Aufnahme 63 ermöglicht eine einfache und sichere Verbindung, während die Maße von 40 mm Dorndurchmesser und 27 mm Dornlänge eine optimale Handhabung garantieren.Der Lieferumfang umfasst den Kombi-Aufsteckfräsdorn, eine Fräseranzugsschraube, einen Mitnehmerring und eine Passfeder, alles was Sie brauchen, um Ihre Arbeiten effizient und professionell auszuführen.

271,99 €*
HAIMER Kühlmittelrohr für HSK A63 - Hydro-Dehnspannfutter DIN 69893
HAIMER Kühlmittelrohr passend für Aufnahme HSK A63Das HAIMER Kühlmittelrohr ist die ideale Lösung für alle HSK-Maschinen mit Innenkühlung. Mit seiner speziellen Beschichtung bietet es eine extrem glatte Oberfläche, die selbst bei Drücken bis zu 120 bar zuverlässig funktioniert. Durch die zwei O-Ringe ermöglicht das Rohr eine mühelose Beweglichkeit und trägt dazu bei, das Dichtsystem der Spindel vor Verschmutzungen zu schützen. Vertrauen Sie auf die hochwertige Qualität und Funktionalität, die dieses Kühlmittelrohr bietet, und optimieren Sie Ihre Maschinenleistung.

23,99 €*
HAIMER Mini-Schrumpffutter 8,0 x 80 mm | HSK63 | DIN 69863-A | Hydro-Dehnspannfutter DIN 69893
HAIMER Mini-Schrumpffutter DIN 69863-A 8,0 x 80 mm, Aufnahme: HSK63Das HAIMER Mini-Schrumpffutter bietet Ihnen eine revolutionäre Lösung für präzise Feinbearbeitungen. Mit seiner extrem schlanken Bauform und der feingewuchteten Ausführung garantiert es eine optimale Handhabung, selbst an schwer zugänglichen Stellen. Alle Funktionsflächen sind sorgfältig bearbeitet und unterliegen einer strengen Qualitätskontrolle, die doppelt 100 % gewährleistet. Dies bedeutet, dass das Produkt deutlich genauer ist als die DIN-Norm vorschreibt.Die besondere Schräge von 3° sorgt für optimale Steifigkeit und passt sich ideal an Formschrägen an. Mit einer Härte von 54 – 2 HRC verkörpert dieses Schrumpffutter eine perfekte Kombination aus Langlebigkeit und Leistung. Es eignet sich hervorragend für alle Hartmetallwerkzeuge mit einer Schafttoleranz von h6, allerdings sollte beachtet werden, dass die Lieferung ohne Kühlmittelrohr erfolgt und das Schrumpfen ausschließlich mit geeigneten Schrumpf- und Kühlhülsen durchgeführt werden sollte.Vertrauen Sie auf die erstklassige Qualität und innovative Technologie von HAIMER, um Ihre Maschinenleistung auf das nächste Level zu heben.

296,99 €*
HAIMER Mini-Schrumpffutter DIN 69863-A | 6,0 x 80 mm | HSK63 Aufnahme | Hochpräzises Hydro-Dehnspannfutter
HAIMER Mini-Schrumpffutter DIN 69863-A 6,0 x 80 mm, Aufnahme: HSK63Das HAIMER Mini-Schrumpffutter kombiniert präzise Feinbearbeitung mit herausragender Qualität. Jedes Stück wird nach höchsten Standards gefertigt und bietet eine Feingewichtung, die über die üblichen DIN-Anforderungen hinausgeht. Mit seiner extrem schlanken Bauform ermöglicht dieses Futter den Zugang zu schwer erreichbaren Stellen, ohne dass Störkanten im Weg sind. Innerhalb seiner robuste Konstruktion sorgt eine optimierte Steifigkeit, unterstützt durch eine 3° Schrägstellung, für präzise Ergebnisse. Die gehärtete Oberfläche mit einem Härtegrad von 54–2 HRC gewährleistet eine lange Lebensdauer und Zuverlässigkeit im Einsatz.Das Mini-Schrumpffutter eignet sich ideal für alle HM-Werkzeuge mit einer Schafttoleranz von h6 und bietet eine Wuchtgüte von G2.5 bei bis zu 25000 U/min. Zur Benutzung benötigen Sie unser speziell entwickeltes Schrumpf- und Kühlhülsen-System. Bitte beachten Sie, dass die Lieferung ohne Kühlmittelrohr erfolgt. Vertrauen Sie auf HAIMER, wenn es um präzise und effiziente Bearbeitungstechnik geht.

307,99 €*
HAIMER Mini-Schrumpffutter HSK63 - DIN 69863-A - 12,0 x 120 mm | Hydro-Dehnspannfutter DIN 69893
HAIMER Mini-Schrumpffutter DIN 69863-A 12,0 x 120 mm | Aufnahme: HSK63Entdecken Sie das HAIMER Mini-Schrumpffutter, das für höchste Präzision in der Feinbearbeitung konzipiert wurde. Mit seiner extrem schlanken Bauform und der feingewuchteten Ausführung erreicht dieses Schrumpffutter optimale Steifigkeit und ermöglicht das Arbeiten an schwer zugänglichen Stellen ohne störende Kanten.Die Qualität wird durch doppelte 100 % Kontrolle sichergestellt, sodass Sie auf eine Genauigkeit vertrauen können, die über die Normen der DIN hinausgeht. Das Schrumpffutter ist sehr effektiv für alle HM-Werkzeuge und verfügt über eine exakte Bohrung von 12 mm. Bei einer Auskraglänge von 120 mm und einem abgesetzten Durchmesser von 15 mm eignet es sich ideal für anspruchsvolle Bearbeitungen.Bitte beachten Sie, dass das Produkt ohne Kühlmittelrohr geliefert wird und nur mit geeigneten Schrumpf- und Kühlhülsen verwendet werden sollte. Vertrauen Sie auf die bewährte Qualität von HAIMER, um Ihre Produktionsanforderungen zu erfüllen.

338,99 €*
HAIMER Mini-Schrumpffutter HSK63 - DIN 69863-A, 10,0 x 80 mm | Hydro-Dehnspannfutter DIN 69893
HAIMER Mini-Schrumpffutter DIN 69863-A 10,0 x 80 mm, Aufnahme: HSK63Das HAIMER Mini-Schrumpffutter ist für präzise Anwendungen im Maschinenbau entwickelt und bietet eine herausragende Leistung durch seine extrem schlanke Bauform. Mit einer optimalen Steifigkeit und einer speziellen Schräge von 3° ist es ideal für die Bearbeitung von Formschrägen und schwer zugänglichen Stellen. Alle Funktionsflächen sind feinbearbeitet und durch unsere doppelte 100 % Kontrolle garantieren wir höchste Qualität, die über die Norm DIN hinausgeht.Dieses Schrumpffutter ist für alle HM-Werkzeuge mit einer Schafttoleranz von h6 geeignet und erreicht eine Wuchtgüte von G2.5 bei 25000 U/min. Es verfügt über eine Bohrung von 10 mm und eine Auskraglänge von 80 mm, wobei der abgesetzte Durchmesser 13 mm beträgt. Beachten Sie bitte, dass das Lieferumfang ohne Kühlmittelrohr erfolgt und das Schrumpfen nur mit speziellen Schrumpf- und Kühlhülsen durchgeführt werden sollte.Erleben Sie die Präzision und Flexibilität des HAIMER Mini-Schrumpffutters, das sich optimal für Ihre anspruchsvollen Bearbeitungsaufgaben eignet.

299,99 €*
HAIMER Schrumpffutter DIN 69863-A 6,0 x 130 mm - Aufnahme HSK63 | Hydro-Dehnspannfutter DIN 69893
HAIMER Schrumpffutter DIN 69863-A 6,0 x 130 mm, Aufnahme: HSK63Das HAIMER Schrumpffutter ist die perfekte Lösung für präzises und zuverlässiges Arbeiten in der Metallbearbeitung. Es bietet eine Form A nach ISO 12164-1 (DIN 69893) und überzeugt durch seine Feingewuchtete Ausführung, die höchste Präzision gewährleistet. Mit allen Funktionsflächen, die feinbearbeitet sind, wird eine doppelte 100% Kontrolle sichergestellt, was zu einer Qualität führt, die über die DIN-Normen hinausgeht.Gefertigt aus hitzebeständigem Warmarbeitsstahl, ist dieses Schrumpffutter äußerst langlebig und eignet sich hervorragend für HSS- und HM-Werkzeuge. Dank seiner Schafttoleranz von h6 und einer Härte von 54 – 2 HRC, erfüllt es die Anforderungen anspruchsvoller Anwendungen.Es bietet auch eine Wuchtgüte von G2.5 bei 25.000 U/min und ist für eine Vielzahl von Schrumpfgeräten, wie Induktiv-, Kontakt- und Heißluftschrumpfgeräte, geeignet. Die maximale Einspannlänge beträgt 36 mm, während die Auskraglänge 130 mm nicht überschreitet. Dieser Artikel wird mit einer Längeneinstellschraube geliefert und garantiert höchste Flexibilität bei der Anwendung. Für Ihre Anforderungen in der modernen Fertigung ist das HAIMER Schrumpffutter die optimale Wahl.

327,99 €*